고객의 요구에 맞춘 회로를 설계합니다.
| 설계 가능 분야 | 상세 설명 |
|---|---|
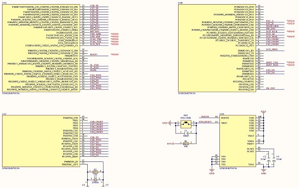
| MCU 설계 | 고객의 요구에 맞추어 각종 MCU/MPU들을 사용하는 회로를 설계합니다. |
| Interface 설계 | 각종 기기간의 Interface를 담당하는 회로를 설계합니다. 이 설계에는 통신 Interface 설계, 전압 Level 변환 설계 등이 포함됩니다. |
| LED 조명제어회로 설계 | LED 조명을 위한 전압제어 설계, 전류제어 설계, Strobe 제어 설계등을 포함하는 전반적인 LED 제어 회로를 설계합니다. |
| LED 조명제어회로 설계 | LED 조명을 위한 전압제어 설계, 전류제어 설계, Strobe 제어 설계등을 포함하는 전반적인 LED 제어 회로를 설계합니다. |